ellie@jsbd.com
+86-519-88503010
Latine
English
Монгол хэл
Gàidhlig
Hawaiian
Lëtzebuergesch
Español
Português
русский
français
日本語
Deutsch
Tiếng Việt
Italiano
Nederlands
ไทย
Polski
한국어
Svenska
magyar
Malay
বাংলা
Dansk
Suomi
हिन्दी
Pilipino
Türk
Gaeilge
عربى
Indonesia
norsk
اردو
čeština
Ελληνικά
Українська
Javanese
فارسی
தமிழ்
తెలుగు
नेपाली
Burmese
български
ລາວ
Latine
Қазақ
Euskal
Azərbaycan
slovenský
Lietuvos
Slovenski
Српски
Restore
Home
De nobis
Nostra historia
Nostrum Factory
Product Applicationem
Nostrum Quisque
Productio Equipment
Productio Market
Our Service
Products
Pressura Laminate
Foedus Laminate
Resistant eget Board
Ignis Retardant Board
News
Company News
Color Collection
Download
Company News
Color Collection
Color Collection
Nobis loquere
domum
>
News
> Company News
News
Color Collection
Company News
New Products
Pressura Decorative Laminate
Foedus Laminate Countertop
Laboratorial Chemical Resistant Board
Postforming Pressura Laminate
Omnes products novum
Company News
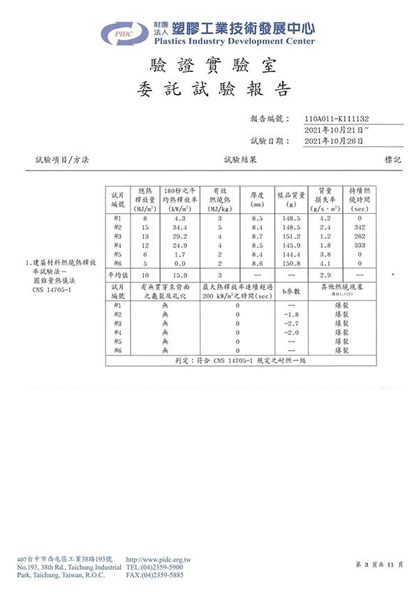
Our Fire-retardant Board Feliciter Transierunt CNS 14705-1 Test in Taiwan.
2022-01-12
Nostra incendia retardans Tabula feliciter transivit CNS 14705-1 examinis in Taiwan.
priorem:
How To Elige Coquina Board?
deinde:
Marmor Background Wall
+86-519-88503010
ellie@jsbd.com